Kode QR
Tentang Kami
Produk
Hubungi kami


Fax
+86-574-87168065

Surel

Alamat
Kawasan Industri Luotuo, Distrik Zhenhai, Kota Ningbo, Cina
Kopling Universal Tipe Flange Pendek Tanpa Flex Flange Raydafon dari Raydafon dibuat untuk memindahkan torsi secara efisien pada alat berat—misalnya pabrik penggilingan baja, derek, peralatan pengangkat, dan semua peralatan tugas berat lainnya. Ia memiliki desain flensa non-teleskopik yang kompak, dengan diameter girasi berkisar antara 180mm hingga 1320mm. Kopling universal flensa pendek ini dapat menangani ketidaksejajaran sudut hingga 15 derajat dan torsi setinggi 16000 kN·m, sehingga bahkan di ruang sempit yang tidak memiliki banyak ruang, transmisi daya tetap dapat diandalkan. Kami membuatnya dari baja 35CrMo berkekuatan tinggi, dengan struktur bantalan yang tidak memerlukan baut—sempurna untuk kopling universal pada alat berat dan kopling universal non-teleskopik untuk aplikasi industri. Tidak memerlukan banyak perawatan dan tahan selamanya, itulah yang Anda perlukan dalam pengaturan sulit.
Produksi kami di Tiongkok mengikuti standar ISO 9001, sehingga kopling universal SWC-WD dapat bertahan dalam kondisi yang sulit. Poros silang dilapisi krom untuk menahan korosi, sehingga menambah ketangguhannya. Desain flensa yang kaku dan dilas membuat pemasangan menjadi mudah, terutama pada peralatan metalurgi dan pertambangan yang pergerakan aksialnya sangat minim. Kami dapat menyesuaikan ukurannya agar sesuai dengan kebutuhan Anda, sehingga kopling universal pendek yang tahan lama ini berfungsi dengan baik sebagai kopling universal khusus untuk sistem derek dan pekerjaan berat lainnya. Dan harganya juga kompetitif. Keahlian Raydafon yang presisi berarti lebih sedikit waktu henti dan peralatan yang lebih andal—sesuatu yang dapat diandalkan oleh operator industri di seluruh dunia.
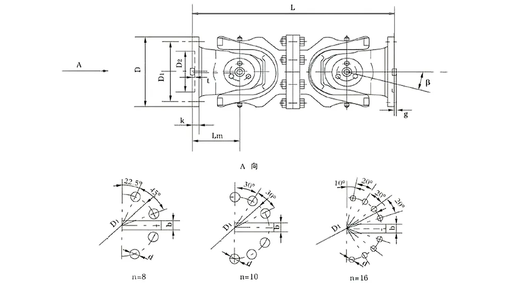
| TIDAK. | Diameter girasi D mm | Torsi nominal Tn KN·m | Sudut lipatan sumbu β (°) | Torsi yang melelahkan Tf KN·m | Ukuran (mm) | Berat (kg) | |||||||||
| sebentar | D1 (js11) | D2 (H7) | Lm | dan | k | t | b (h9) | g | sebentar | Meningkatkan 100mm | |||||
| SWC180WD | 180 | 12.5 | 6.3 | ≤25 | 440 | 155 | 105 | 110 | 8-17 | 17 | 5 | - | - | 0.145 | 52 |
| SWC225WD | 225 | 40 | 20 | ≤15 | 480 | 196 | 135 | 120 | 8-17 | 20 | 5 | 32 | 9.0 | 0.355 | 82 |
| SWC250WD | 250 | 63 | 31.5 | 560 | 218 | 150 | 140 | 8-19 | 25 | 6 | 40 | 12.5 | 0.831 | 127 | |
| Swc285wd | 285 | 90 | 45 | 640 | 245 | 170 | 160 | 8-21 | 27 | 7 | 40 | 15.0 | 1.715 | 189 | |
| SWC315WD | 315 | 125 | 63 | 720 | 280 | 185 | 180 | 10-23 | 32 | 8 | 40 | 15.0 | 2.820 | 270 | |
| SWC350WD | 350 | 180 | 90 | 776 | 310 | 210 | 194 | 10-23 | 35 | 8 | 50 | 16.0 | 4.791 | 370 | |
| SWC390WD | 390 | 250 | 125 | 860 | 345 | 235 | 215 | 10-25 | 40 | 8 | 70 | 18.0 | 8.229 | 524 | |
| Swc440wd | 440 | 355 | 180 | 1040 | 390 | 255 | 260 | 16-28 | 42 | 10 | 80 | 20.0 | 15.320 | 798 | |
| SWC490WD | 490 | 500 | 250 | 1080 | 435 | 275 | 270 | 16-31 | 47 | 12 | 90 | 22.5 | 25.740 | 1055 | |
| SWC550WD | 550 | 710 | 355 | 1220 | 492 | 320 | 305 | 16-31 | 50 | 12 | 100 | 22.5 | 46.780 | 1524 | |
| SWC620WD | 620 | 1000 | 500 | 1360 | 555 | 380 | 340 | 10-38 | 55 | 12 | 100 | 25.0 | 83.760 | 2120 | |
* 1. Tf-di bawah beban bolak-balik torsi yang memungkinkan sesuai dengan kekuatan lelah.
Kopling sambungan universal SWC Raydafon—biasanya disebut kopling sambungan universal poros cardan SWC—bukan sekadar bagian; ini harus dimiliki di bidang industri tugas berat, seperti rolling mill, peralatan pengangkat, dan segala jenis pengaturan alat berat yang berat. Sebagai kopling sambungan universal torsi tinggi, kopling ini berfungsi dengan baik dalam menghubungkan dua poros transmisi yang tidak sejajar sempurna, memastikan daya disalurkan dengan lancar bahkan ketika kondisi kerja sangat sulit.
Mari kita bahas spesifikasi intinya: diameter girasi berkisar antara φ58 hingga φ620, torsi nominal mulai dari 0,15 hingga 1000 kN·m, dan sudut lipatan sumbu tidak lebih dari 25°.
Kopling ini bekerja paling baik di tempat tertentu—misalnya saat Anda memerlukan kopling sambungan universal tugas berat yang andal untuk pengoperasian rolling mill, atau kopling poros sambungan universal SWC yang tahan lama dalam peralatan pengangkat dan penanganan material. Dalam kasus ini, ia menunjukkan kekuatannya: bahkan di bawah tekanan besar, ia menjaga operasi tetap stabil, tidak berantakan atau rusak.
Kopling sambungan universal SWC Raydafon tidak hanya disatukan—tetapi dibuat dengan teknik cerdas dan terkini agar berfungsi dengan baik dan bertahan lama dalam penggunaan industri. Mari kita lihat apa yang membuat strukturnya menonjol.
Pertama, konfigurasinya masuk akal dan aman: kami menggunakan desain kepala garpu terintegrasi untuk kopling sambungan universal industri ini, yang mengurangi risiko seperti baut lepas atau patah. Perubahan itu saja membuatnya 30%-50% lebih kokoh secara keseluruhan, sehingga berjalan dengan aman dan konsisten. Dibandingkan dengan kopling biasa, kopling ini tahan lebih lama, dan menghindari masalah umum di tempat bertegangan tinggi—seperti sistem kopling sambungan universal alat berat yang Anda lihat pada pekerjaan berat.
Lalu ada peningkatan kapasitas menahan beban: kopling sambungan universal tugas berat SWC ini dibuat untuk menangani beban besar, sehingga harus dimiliki di tempat yang memerlukan penanganan beban terbaik, seperti peralatan pertambangan atau mesin konstruksi.
Ini juga mencapai efisiensi transmisi yang tinggi—hingga 98,6%. Sebagai kopling sambungan universal yang efisien untuk transmisi daya besar, alat ini memangkas penggunaan energi dan biaya yang menyertainya. Itulah sebabnya produk ini merupakan pilihan utama untuk solusi kopling sambungan universal yang hemat energi dalam pengaturan transmisi industri berdaya tinggi.
Dan berjalan lancar dengan kebisingan yang rendah: transmisi tetap stabil, dan kebisingan biasanya berkisar antara 30-40 dB(A). Kopling sambungan universal dengan kebisingan rendah ini menjaga pengoperasian tetap senyap, sehingga sempurna untuk lokasi industri di mana kebisingan merupakan masalah—sekaligus menjaga keandalan pada tingkat tinggi.
⭐⭐⭐⭐⭐ Zhang Wei, Kepala Insinyur, Henan Mining Equipment Co., Ltd.
Kami telah memasang Kopling Universal Tipe Flange Pendek Tanpa Flange Fleksibel Raydafon pada mesin pertambangan kami, dan ini sangat cocok. Desainnya yang ringkas sesuai dengan kebutuhan kami untuk ruangan sempit yang tidak memiliki banyak ruang kosong, dan konstruksinya cukup kuat untuk menjaga pengoperasian tetap stabil. Bahkan ketika dijalankan tanpa henti dalam kondisi tugas berat, kopling ini tidak pernah mengecewakan kami—tidak ada kegagalan sama sekali. Tim pemeliharaan kami senang karena tidak perlu melakukan pengecekan lagi, yang berarti kami dapat menjaga produksi tetap berjalan lancar tanpa kerumitan tambahan.
⭐⭐⭐⭐⭐ Michael Brown, Manajer Operasi, Texas Steel Works, AS
Bengkel kami di Texas memesan Kopling Universal Tipe Flange Pendek Tanpa Flange SWC-WD dari Raydafon, dan sejujurnya, kualitasnya membuat kami terpesona. Koplingnya dikerjakan dengan sangat baik, pemasangannya sangat mudah, dan dapat bertahan dengan andal bahkan saat berada di bawah beban. Apa yang paling menarik perhatian saya? Seberapa baik produk ini menyeimbangkan harga dan kinerja—Anda jarang menemukan titik terbaik tersebut. Menemukan pemasok yang secara konsisten memberikan tingkat kualitas seperti ini tidaklah mudah, namun Raydafon telah benar-benar membuktikan bahwa mereka adalah mitra yang dapat dipercaya bagi kami.
⭐⭐⭐⭐⭐ Anna Müller, Supervisor Pemeliharaan, Berlin Industrial Solutions, Jerman
Kami memasang Kopling Universal Tipe SWC-WD Pendek Tanpa Flange Fleksibel Raydafon di lini peralatan Berlin kami, dan hasilnya luar biasa. Produknya sendiri terasa kokoh, pengelasannya presisi—tidak ada pekerjaan jelek di sini—dan sejauh ini, produk ini bertahan dengan sangat baik, menunjukkan daya tahan terbaik. Dibandingkan dengan beberapa merek lain yang kami gunakan di Eropa, kopling ini jauh lebih andal, dan harganya juga lebih kompetitif. Jika perusahaan lain mencari kopling universal yang dapat diandalkan, saya sangat merekomendasikan Raydafon.
Kopling Universal Tipe Flange Pendek Tanpa Flange Pendek Raydafon dari Raydafon—sering disebut kopling sambungan universal poros cardan SWC—dibuat untuk lokasi industri yang sempit, di mana ruang terbatas dan Anda memerlukan desain dengan panjang tetap (tanpa ekstensi teleskopik). Sebagai kopling sambungan universal torsi tinggi, kopling ini memindahkan torsi secara efisien antar poros yang tidak sejajar, menangani deviasi sudut hingga 25 derajat, dan tetap andal bahkan di lingkungan tugas berat.
Mari kita bahas tentang fitur-fitur utamanya: Strukturnya ringkas dan kaku—penyiapan flensa yang pendek dan tidak fleksibel ini menjadikannya kopling sambungan universal tugas berat yang andal untuk pengoperasian rolling mill, memberikan stabilitas ekstra dalam pengaturan di mana pergerakan aksial minimal. Itu sebabnya ia bekerja dengan baik untuk koneksi jarak tetap pada mesin yang berat. Lalu ada pula kapasitas menahan bebannya yang tinggi: kami menggunakan bahan keras seperti besi tuang atau baja paduan untuk membuatnya, sehingga ini merupakan kopling poros sambungan universal SWC yang tahan lama dalam peralatan pengangkat dan penanganan material. Kopling ini mampu menahan beban besar dan menyalurkan torsi lebih besar dibandingkan kopling lain dengan diameter yang sama, sehingga cocok untuk beban berat pada peralatan pertambangan atau konstruksi.
Kopling sambungan universal industri ini juga mengkompensasi ketidaksejajaran dengan sangat baik—baik ketidaksejajaran sudut, paralel, atau aksial, tidak mengganggu kecepatan putaran atau transfer torsi. Itu berarti kelancaran pengoperasian pada sistem kopling sambungan universal alat berat. Dan efisien dalam transmisi daya: mencapai efisiensi hingga 98,6%, kopling sambungan universal tugas berat SWC ini menjaga kehilangan energi tetap rendah, menjadikannya kopling sambungan universal yang efisien untuk transmisi daya besar dalam pengaturan industri berdaya tinggi.
Selain itu, produk ini dirancang untuk menghemat energi dan beroperasi dengan tenang—jika Anda memerlukan solusi sambungan sambungan universal yang hemat energi, ini adalah pilihan terbaik, sehingga menghemat biaya operasional. Dan itu menjaga kebisingan antara 30-40 dB(A), sehingga kopling sambungan universal dengan kebisingan rendah ini cocok untuk lokasi industri di mana kebisingan menjadi perhatian.
Kopling ini benar-benar unggul dalam skenario tertentu—seperti saat Anda memerlukan kopling sambungan universal tugas berat yang andal untuk pengoperasian rolling mill, atau kopling poros sambungan universal SWC yang tahan lama dalam peralatan pengangkat dan penanganan material. Dalam kasus ini, bahkan dengan beban ekstrem dan ruang terbatas, pengoperasian tetap stabil dan tidak ada gangguan.
Dalam hal aplikasi kopling sambungan universal industri, varian SWC-WD kami menonjol dengan rekayasa cerdas yang membuatnya bekerja lebih baik dan bertahan lebih lama. Mari kita bicara tentang struktur utamanya: ia memiliki pengaturan yang masuk akal dan aman dengan desain kepala garpu yang terintegrasi—hal ini menghilangkan masalah seperti baut yang lepas atau patah, sehingga meningkatkan kekuatan keseluruhan sebesar 30%-50%. Artinya, sistem ini bekerja dengan aman dan andal, tahan lebih lama dibandingkan model model lama, dan menghindari kerusakan umum di tempat dengan tekanan tinggi, seperti sistem kopling sambungan universal alat berat.
Selain itu, ia dapat menangani beban yang jauh lebih besar—kami membuatnya untuk menopang beban yang lebih berat, sehingga kopling sambungan universal tugas berat SWC ini sempurna untuk tempat yang memerlukan penanganan beban berat, seperti peralatan pertambangan atau konstruksi. Ia juga memindahkan daya dengan sangat efisien, mencapai efisiensi transmisi hingga 98,6%. Sebagai kopling sambungan universal yang efisien untuk transmisi daya besar, produk ini menghemat penggunaan energi dan biaya yang menyertainya, menjadikannya pilihan utama untuk solusi kopling sambungan universal hemat energi dalam pengaturan transmisi industri berdaya tinggi.
Dan pengoperasiannya mulus tanpa ada suara bising—transmisi tetap stabil, dan kebisingan biasanya tetap antara 30-40 dB(A). Kopling sambungan universal dengan kebisingan rendah ini menjaga pengoperasian tetap senyap, sehingga sempurna untuk lokasi industri di mana kebisingan merupakan masalah, sekaligus menjaga keandalan pada tingkat tinggi.
Raydafon bukan sekadar nama lain dalam suku cadang transmisi—kami adalah produsen dan pemasok terkemuka komponen transmisi berkinerja tinggi serta solusi mesin industri, dan kami memiliki fokus yang tajam pada produk seperti kopling sambungan universal poros cardan SWC. Kami memulai untuk memenuhi kebutuhan industri global seiring dengan perkembangannya, dan seiring berjalannya waktu, kami telah membangun jajaran lengkap: kotak roda gigi, poros penggerak, silinder hidrolik, katrol, peralatan mesin presisi—semuanya dibuat untuk meningkatkan kinerja sektor pertanian dan tugas berat. Kami sangat mengutamakan inovasi, itulah sebabnya kami dapat menghadirkan kopling sambungan universal tugas berat yang andal untuk pengoperasian rolling mill yang cocok dengan sistem yang paling rumit sekalipun tanpa hambatan.
Fasilitas kami juga unggul—kami memiliki bengkel CNC, peralatan penggilingan dan perlakuan panas, serta sistem pengukuran 3D yang canggih. Kami berpegang pada standar kualitas yang ketat seperti ISO9001/TS16949, dan pengaturan tersebut memungkinkan kami membuat solusi kopling sambungan universal torsi tinggi yang menggerakkan torsi dengan baik dan menangani ketidaksejajaran seperti seorang profesional. Ambil contoh kopling poros sambungan universal SWC kami yang tahan lama pada peralatan pengangkat dan penanganan material—ini dibuat untuk tempat yang membutuhkan daya dukung beban yang kuat. Dan jalur kopling sambungan universal industri kami? Ini mencakup semua jenis penggunaan yang mengutamakan presisi dan kekokohan.
Delapan puluh persen produksi kami diekspor—dikirim ke negara-negara seperti AS, Jerman, Jepang, Italia, Malaysia, Australia, dan Timur Tengah. Kami juga memiliki jaringan yang kuat di Tiongkok, Korea Selatan, Inggris, Singapura, Amerika Serikat, dan Spanyol, sehingga kami solid secara global. Jangkauan tersebut memungkinkan kami menawarkan opsi kopling sambungan universal tugas berat SWC yang dapat disesuaikan—disesuaikan dengan kebutuhan klien, seperti pada sistem kopling sambungan universal alat berat yang menjaga kestabilan di bawah beban ekstrem tidak dapat ditawar lagi.
Kami peduli terhadap keberlanjutan dan membuat solusi yang mengutamakan pelanggan. Itulah sebabnya kami mengembangkan solusi kopling sambungan universal hemat energi yang mencapai efisiensi transmisi hingga 98,6%—mengurangi penggunaan energi pada pengaturan daya tinggi. Apakah Anda memerlukan kopling sambungan universal yang efisien untuk transmisi daya besar atau kopling sambungan universal dengan kebisingan rendah untuk lokasi industri di mana kebisingan merupakan masalah, produk kami hadir dengan layanan purna jual penuh. Itulah cara kami menjadi mitra tepercaya dalam industri transmisi—kami tidak hanya menjual suku cadang, kami juga membackupnya.
Alamat
Kawasan Industri Luotuo, Distrik Zhenhai, Kota Ningbo, Cina
Telp
Surel


+86-574-87168065


Kawasan Industri Luotuo, Distrik Zhenhai, Kota Ningbo, Cina
Hak Cipta © Raydafon Technology Group Co., Limited Semua Hak Dilindungi Undang-Undang.
Links | Sitemap | RSS | XML | Kebijakan Privasi |
