Kode QR
Tentang Kami
Produk
Hubungi kami


Fax
+86-574-87168065

Surel

Alamat
Kawasan Industri Luotuo, Distrik Zhenhai, Kota Ningbo, Cina
Kopling Universal Tipe Flange Fleksibel Standar SWC-BF Raydafon dibuat untuk menggerakkan torsi secara andal pada alat berat—seperti rolling mill, peralatan pembuatan kertas, penggerak industri, semua pengaturan yang memerlukan kinerja tangguh. Ia memiliki desain flensa yang fleksibel, dengan diameter girasi berkisar antara 180mm hingga 620mm, dan kopling universal fleksibel standar ini menangani ketidaksejajaran sudut hingga 15 derajat ditambah torsi setinggi 1250 kN·m. Bahkan di lingkungan kerja yang menuntut, sistem ini tetap berjalan dengan stabil, tidak ada penurunan. Kami membuatnya dengan baja 35CrMo berkekuatan tinggi dan bantalan jarum presisi, sehingga sempurna sebagai kopling universal untuk mesin industri dan kopling flensa fleksibel untuk alat berat—menggerakkan daya dengan kuat, dan Anda hampir tidak merasakan getaran apa pun.
Produksi kami di Tiongkok mengikuti standar ISO 9001, sehingga kopling universal SWC-BF tahan lama dan tahan korosi—semuanya berkat poros silang berlapis krom. Sambungan flensa memudahkan pemasangan, yang sangat membantu dalam bidang seperti metalurgi, pertambangan, dan pembuatan kapal—tempat di mana Anda memerlukan fleksibilitas aksial yang moderat. Kami juga dapat menyesuaikan ukuran dan peringkat torsinya, sehingga kopling universal fleksibel yang tahan lama ini berfungsi dengan baik sebagai kopling universal khusus untuk rolling mill dan kebutuhan industri lainnya. Dan harganya kompetitif, tidak ada pembebanan biaya yang berlebihan. Pengetahuan Raydafon berarti Anda akan menghabiskan lebih sedikit waktu untuk pemeliharaan, dan peralatan Anda akan tetap lebih andal—sesuatu yang dapat diandalkan oleh operator di seluruh dunia.
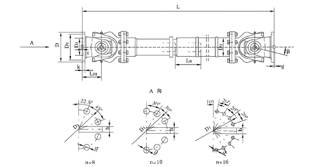
| TIDAK. | Diameter girasi D mm | Torsi nominal Tn KN·m | Sudut lipatan sumbu β (°) | Torsi yang melelahkan Tf KN·m | Kuantitas fleksibel L mm | Ukuran (mm) | Inersia berputar kg.m2 | Berat (kg) | |||||||||||
| sebentar | D1 (js11) | D2 (H7) | D3 | Lm | dan | k | t | b (h9) | g | sebentar | Meningkatkan 100mm | sebentar | Meningkatkan 100mm | ||||||
| SWC180BF | 180 | 12.5 | 6.3 | ≤25 | 100 | 810 | 155 | 105 | 114 | 110 | 8-17 | 17 | 5 | -1.455 | - | 0.27 | 0.0070 | 80 | 2.8 |
| SWC225BF | 225 | 40 | 20 | ≤15 | 140 | 920 | 196 | 135 | 152 | 120 | 8-17 | 20 | 5 | 32 | 9 | 0.79 | 0.0234 | 138 | 4.9 |
| SWC250BF | 250 | 63 | 31.5 | 1035 | 218 | 150 | 168 | 140 | 8-19 | 25 | 6 | 40 | 12.5 | 1.46 | 0.0277 | 196 | 5.3 | ||
| SWC285BF | 285 | 90 | 45 | 1190 | 245 | 170 | 194 | 160 | 8-21 | 27 | 7 | 40 | 15 | 2.87 | 0.0510 | 295 | 6.3 | ||
| SWC315BF | 315 | 125 | 63 | 1315 | 280 | 185 | 219 | 180 | 10-23 | 32 | 8 | 40 | 15 | 5.09 | 0.0795 | 428 | 8.0 | ||
| SWC350BF | 350 | 180 | 90 | 150 | 1410 | 310 | 210 | 267 | 194 | 10-23 | 35 | 8 | 50 | 16 | 9.20 | 0.2219 | 632 | 15.0 | |
| SWC390BF | 390 | 250 | 125 | 170 | 1590 | 345 | 235 | 267 | 215 | 10-25 | 40 | 8 | 70 | 18 | 16.62 | 0.2219 | 817 | 15.0 | |
| SWC440BF | 440 | 355 | 180 | 190 | 1875 | 390 | 255 | 325 | 260 | 16-28 | 42 | 10 | 80 | 20 | 28.24 | 0.4744 | 1290 | 21.7 | |
| SWC490BF | 490 | 500 | 250 | 190 | 1985 | 435 | 275 | 325 | 270 | 16-31 | 47 | 12 | 90 | 22.5 | 46.33 | 0.4744 | 1631 | 21.7 | |
| SWC550BF | 550 | 710 | 355 | 240 | 2300 | 492 | 320 | 426 | 305 | 16-31 | 50 | 12 | 100 | 22.5 | 86.98 | 1.3570 | 2567 | 34.0 | |
| SWC620BF | 620 | 1000 | 500 | 240 | 2500 | 555 | 380 | 426 | 340 | 10-38 | 55 | 12 | 100 | 25 | 147.50 | 1.3570 | 3267 | 34.0 | |
Kopling universal—juga disebut kopling sambungan universal—adalah bagian mekanis yang menggerakkan torsi dan gerakan rotasi antara dua poros yang mungkin tidak sejajar dengan sempurna. Mereka menangani ketidaksejajaran sudut, aksial, dan radial, sekaligus menjaga transfer daya tetap efisien dalam berbagai penggunaan industri. Di Raydafon, seri kopling sambungan universal poros cardan SWC kami adalah contoh utama teknik terbaik di sini, menawarkan solusi kopling sambungan universal torsi tinggi yang dibuat khusus untuk pekerjaan berat seperti rolling mill dan mesin pengangkat.
Mari kita uraikan jenis utama kopling sambungan universal:
Yang pertama adalah Single Universal Joint. Ia memiliki satu poros berbentuk salib yang menghubungkan dua kuk, membiarkan poros memiliki ketidaksejajaran sudut hingga 45 derajat. Ini bekerja dengan baik untuk pengaturan dengan offset sedang, meskipun mungkin menyebabkan perubahan kecepatan. Kopling sambungan universal tugas berat Raydafon yang andal untuk pengoperasian rolling mill sering kali menggunakan desain sambungan tunggal dalam bentuk yang ringkas, sehingga dapat bertahan dengan baik bahkan di bawah beban berat.
Lalu ada Sambungan Universal Ganda. Ia memiliki dua sambungan tunggal yang dihubungkan bersama, yang menangani misalignment yang lebih besar dan menjaga kecepatan transmisi hampir konstan—sempurna untuk pengaturan poros yang rumit. Saat Anda memerlukan kopling poros sambungan universal SWC yang tahan lama dalam peralatan pengangkat dan penanganan material, model sambungan ganda Raydafon meningkatkan stabilitas dan mengurangi getaran dalam sistem kopling sambungan universal industri bertekanan tinggi.
Berikutnya adalah Telescopic atau Universal Joint yang Dapat Diperluas. Ini memiliki splines atau bagian geser yang memungkinkan Anda menyesuaikan panjangnya sekaligus mengkompensasi ketidaksejajaran, yang berfungsi untuk gerakan aksial dalam pengaturan dinamis. Kopling sambungan universal tugas berat SWC Raydafon mencakup opsi teleskopik—kopling ini berfungsi sebagai kopling sambungan universal yang efisien untuk transmisi daya besar di tempat seperti tambang atau lokasi konstruksi, di mana Anda memerlukan fleksibilitas dalam panjang poros.
Ada juga Tipe Hub Solid, Bored, atau Splined. Ini berbeda berdasarkan cara penyambungannya: hub padat tidak memiliki lubang, hub bosan memiliki bukaan bulat, heksagonal, atau persegi, dan hub splined memiliki alur agar pas. Untuk solusi kopling sambungan universal yang hemat energi, Raydafon menawarkan desain spline dalam jajaran kopling sambungan universal dengan kebisingan rendah—mereka mengoptimalkan penyaluran torsi dan mengurangi kebisingan hingga 30-40 dB(A) di lokasi industri yang sensitif.
Kopling sambungan universal Raydafon, termasuk seri SWC, dibuat dengan desain kepala garpu terintegrasi—tidak ada lagi masalah terkait baut, yang meningkatkan kekuatan sebesar 30%-50% dan mencapai efisiensi transmisi hingga 98,6%. Fitur-fitur ini menjadikan produk kami pilihan utama bagi para profesional yang membutuhkan solusi khusus dan berkinerja tinggi.
Kopling universal—ambil kopling sambungan universal poros cardan SWC Raydafon sebagai contoh utama—membawa manfaat besar bagi sistem transmisi industri. Mereka memindahkan torsi secara efektif di antara poros yang tidak sejajar, menangani segala jenis penyimpangan, dan merupakan suatu keharusan untuk menjaga pengoperasian berjalan lancar di lingkungan yang sulit—seperti lingkungan yang memerlukan solusi kopling sambungan universal torsi tinggi.
Mari selami keunggulan utama mereka: Pertama, mereka hebat dalam mengkompensasi ketidakselarasan. Kopling universal menangani ketidaksejajaran sudut, aksial, dan radial hingga 25 derajat, yang menjadikannya kopling sambungan universal tugas berat yang andal untuk pengoperasian rolling mill. Mereka melakukan hal ini tanpa menambahkan terlalu banyak tekanan mekanis atau getaran, sehingga mesin Anda tetap terlindungi.
Lalu ada daya tahannya yang tangguh dan masa pakai yang lama. Kami membuat kopling ini dengan desain kepala garpu terintegrasi dan material berkekuatan tinggi, yang mengurangi risiko seperti baut lepas atau patah—meningkatkan integritas struktural sebesar 30%-50%. Itulah sebabnya kopling poros sambungan universal SWC yang tahan lama pada peralatan pengangkat dan penanganan material bekerja dengan sangat baik untuk jangka waktu yang lama dalam kondisi yang sulit; itu bertahan lebih lama dari model tradisional.
Mereka juga memiliki kapasitas menahan beban dan torsi terbaik. Direkayasa untuk menahan beban berat dan mengirimkan torsi nominal dari 0,15 hingga 1000 kN·m, kopling sambungan universal industri unggul dalam sistem kopling sambungan universal alat berat. Dalam pengaturan ini, kinerja yang konsisten di bawah beban ekstrem adalah penentu keberhasilan, dan kopling ini selalu berhasil.
Dalam hal efisiensi transmisi daya, mereka sulit dikalahkan. Mencapai efisiensi hingga 98,6%, kopling sambungan universal tugas berat SWC menjaga kehilangan energi tetap rendah. Hal ini menjadikannya kopling sambungan universal yang efisien untuk transmisi daya besar dalam aplikasi industri berdaya tinggi, dan seiring waktu, efisiensi tersebut menambah penghematan biaya nyata.
Yang terakhir, mereka menghemat energi dan bekerja dengan tenang. Sebagai solusi kopling sambungan universal yang hemat energi, mereka mengurangi penggunaan listrik, dan beroperasi hanya pada 30-40 dB(A). Kopling sambungan universal dengan kebisingan rendah ini sempurna untuk lokasi industri yang mengkhawatirkan kebisingan—Anda mendapatkan semua keandalan yang Anda perlukan tanpa pengoperasian yang bising.
Kopling universal—kebanyakan orang menyebutnya kopling sambungan universal—berfungsi dengan ide mekanis yang sederhana namun efektif: kopling ini menggerakkan torsi dan gerakan rotasi antara dua poros yang tidak sejajar dengan sempurna, menangani ketidaksejajaran sudut, aksial, dan radial tanpa henti. Ambil contoh kopling sambungan universal poros cardan SWC Raydafon—ini adalah contoh bagus dari prinsip ini. Ia menggunakan poros berbentuk salib (kita sering menyebutnya laba-laba) untuk menghubungkan kuk pada setiap poros, sehingga daya disalurkan dengan lancar bahkan di lingkungan industri yang sibuk.
Inti dari cara kerjanya adalah poros silang: memungkinkan kuk berputar secara independen, sehingga menghasilkan kemiringan poros hingga 25 derajat sekaligus menjaga penyaluran torsi tetap konsisten. Kopling sambungan universal torsi tinggi ini juga meminimalkan perubahan kecepatan putaran—terutama jika desain sambungan ganda—sehingga sempurna untuk pekerjaan yang memerlukan kopling sambungan universal tugas berat yang andal untuk pengoperasian rolling mill. Dan dengan seri SWC Raydafon, kami menambahkan desain kepala garpu terintegrasi untuk membuat mekanisme ini menjadi lebih baik: mekanisme ini menghilangkan masalah seperti baut yang lepas, meningkatkan kekuatan struktural sebesar 30%-50%, dan membantunya bertahan lebih lama di tempat dengan tekanan tinggi.
Prinsip ini juga mendukung daya dukung beban yang besar. Kopling ini menangani torsi nominal dari 0,15 hingga 1000 kN·m, dengan diameter girasi antara φ58 dan φ620—itulah sebabnya kopling poros sambungan universal SWC yang tahan lama pada peralatan pengangkat dan penanganan material merupakan pilihan yang tepat untuk pengoperasian berat. Ditambah lagi, kopling sambungan universal industri mencapai efisiensi transmisi hingga 98,6%, sehingga mengurangi penggunaan energi pada sistem kopling sambungan universal alat berat.
Terlebih lagi, kopling sambungan universal tugas berat SWC Raydafon memiliki fitur yang sesuai dengan fokus prinsip pada kelancaran pengoperasian: menjaga transmisi tetap stabil, dan kebisingan tetap antara 30-40 dB(A). Hal ini menjadikannya kopling sambungan universal yang efisien untuk transmisi daya besar, dan solusi kopling sambungan universal hemat energi terbaik untuk pengaturan industri berdaya tinggi. Secara keseluruhan, kopling sambungan universal dengan kebisingan rendah ini menjaga suasana tetap senyap, sehingga berfungsi dengan baik di tempat yang mengkhawatirkan kebisingan—tanpa mengorbankan keandalan.
⭐⭐⭐⭐⭐ Li Jun, Insinyur Senior, Jiangsu Power Equipment Co., Ltd.
Kami telah menggunakan Kopling Universal Tipe Flange Fleksibel Standar SWC-BF Raydafon selama beberapa bulan, dan kinerjanya luar biasa. Yang paling menonjol adalah fleksibilitas kopling ini—ini membuat alat berat kami jauh lebih andal, terutama dalam hal mengkompensasi ketidaksejajaran poros. Proses pemasangannya lancar, tidak ada langkah rumit, dan kualitas lasnya juga terlihat kokoh—pastinya memberi kami ketenangan pikiran bahwa ini akan bertahan lama. Dari segi harga, ini adalah nilai yang sangat bagus, dan jika Anda berkecimpung dalam industri alat berat, saya sangat merekomendasikan kopling universal flensa fleksibel ini.
⭐⭐⭐⭐⭐ John Davis, Insinyur Mekanik, Manchester Engineering Ltd., Inggris
Di fasilitas kami di Manchester, kami menukar kopling lama dengan Kopling Universal Tipe Flange Fleksibel Standar SWC-BF Raydafon, dan perbedaannya langsung terlihat jelas. Kopling universal ini menggerakkan tenaga dengan lancar dan efisien, bahkan saat kita menjalankannya dalam kondisi tekanan tinggi—tidak pernah berhenti. Fleksibilitas yang dipadukan dengan desainnya yang tangguh membuat alat berat kami tetap berjalan tanpa hambatan. Selain itu, Raydafon mengirimkan pengiriman kepada kami dengan cepat, dan layanan pelanggan mereka adalah yang terbaik—membuat seluruh pengalaman pembelian menjadi jauh lebih baik. Sangat merekomendasikan kopling universal flensa fleksibel yang andal ini!
⭐⭐⭐⭐⭐ Matteo Rossi, Manajer Operasi, Milan Industrial Solutions, Italia
Kami sedang mencari kopling universal yang dapat menangani ketidaksejajaran dengan baik, dan itulah cara kami menemukan Kopling Universal Tipe Flange Fleksibel Standar SWC-BF Raydafon. Kami telah menggunakannya selama beberapa minggu sekarang, dan saya dapat mengatakan dengan pasti bahwa ini memenuhi semua kebutuhan kami. Pemasangannya mudah, tanpa kerumitan tambahan, dan bahkan ketika kami melewati kondisi yang menantang, ia tetap bertahan. Kualitasnya luar biasa dibandingkan dengan harganya—tentu saja ini merupakan investasi cerdas untuk mesin kami. Saya sangat senang dengan produk dan layanan yang diberikan Raydafon kepada kami.
Raydafon bukan sekadar produsen—kami adalah pemasok terkemuka komponen transmisi tingkat atas dan solusi mesin industri, dan kami memiliki keahlian mendalam dalam produk seperti kopling sambungan universal poros cardan SWC. Kami memulai dengan inovasi dan kualitas sebagai inti kami, dan seiring berjalannya waktu, kami mengembangkan jajaran produk kami hingga mencakup kotak roda gigi, poros penggerak, silinder hidrolik, katrol, dan peralatan mesin canggih—semuanya dibuat untuk memenuhi tuntutan berat dari industri pertanian dan tugas berat. Solusi kopling sambungan universal torsi tinggi kami dibuat dengan hati-hati, memastikan transfer torsi lancar dan ketidaksejajaran ditangani dengan benar—solusi ini mutlak harus dimiliki oleh klien yang membutuhkan kopling sambungan universal tugas berat yang andal untuk pengoperasian rolling mill.
Fasilitas produksi kami canggih: kami memiliki bengkel CNC, peralatan penggilingan dan perlakuan panas, serta sistem pengukuran 3D. Kami berpegang pada standar ketat seperti ISO9001/TS16949, sehingga setiap kopling sambungan universal industri yang kami buat presisi dan dibuat agar tahan lama. Ambil contoh kopling poros sambungan universal SWC kami yang tahan lama pada peralatan pengangkat dan penanganan material—ini dioptimalkan untuk tempat yang membutuhkan daya dukung beban yang serius. Dan kopling sambungan universal tugas berat SWC kami? Ini memecahkan masalah dalam sistem kopling sambungan universal alat berat, yang mengharuskan tetap stabil dalam kondisi ekstrem.
Kami juga memiliki jangkauan global yang besar—80% produk kami diekspor ke pasar seperti AS, Jerman, Jepang, Italia, Malaysia, Australia, dan Timur Tengah. Kami memiliki jaringan yang kuat di Tiongkok, Korea Selatan, Inggris, Singapura, Amerika Serikat, dan Spanyol, yang memungkinkan kami menciptakan kopling sambungan universal yang efisien dan dapat disesuaikan untuk opsi transmisi daya besar. Hal ini disesuaikan dengan kebutuhan spesifik, seperti solusi kopling sambungan universal hemat energi yang mencapai efisiensi transmisi hingga 98,6%—mengurangi penggunaan energi pada pengaturan daya tinggi.
Keberlanjutan dan inovasi yang berfokus pada klien penting bagi kami. Itu sebabnya kami menawarkan opsi kopling sambungan universal dengan kebisingan rendah yang menjaga kebisingan antara 30-40 dB(A)—sempurna untuk lokasi industri yang mengkhawatirkan kebisingan. Dan kami mendukung semuanya dengan dukungan purna jual penuh. Komitmen kami untuk melakukan segala sesuatu dengan benar menjadikan Raydafon mitra terpercaya dalam industri transmisi, membantu para profesional mendapatkan kinerja dan keandalan terbaik dari peralatan mereka.
Alamat
Kawasan Industri Luotuo, Distrik Zhenhai, Kota Ningbo, Cina
Telp
Surel


+86-574-87168065


Kawasan Industri Luotuo, Distrik Zhenhai, Kota Ningbo, Cina
Hak Cipta © Raydafon Technology Group Co., Limited Semua Hak Dilindungi Undang-Undang.
Links | Sitemap | RSS | XML | Kebijakan Privasi |
