Produk
Silinder Penarik Dan Pengangkat Untuk Mesin Pertanian
  • Silinder Penarik Dan Pengangkat Untuk Mesin PertanianSilinder Penarik Dan Pengangkat Untuk Mesin Pertanian
  • Silinder Penarik Dan Pengangkat Untuk Mesin PertanianSilinder Penarik Dan Pengangkat Untuk Mesin Pertanian

Silinder Penarik Dan Pengangkat Untuk Mesin Pertanian

Sebagai produsen lama yang berakar di Tiongkok, Raydafon telah menghadirkan silinder penarik dan pengangkat yang hemat biaya untuk mesin pertanian ke sektor pertanian, dengan mengandalkan pabriknya sendiri dan teknologi yang matang. Dengan harga yang terjangkau, telah menjadi pemasok terpercaya bagi banyak petani dan koperasi mesin pertanian. Silinder Penarik Dan Pengangkat Untuk Mesin Pertanian ini ditempa dengan baja paduan yang menebal dan diperkuat dengan tujuh proses pendinginan. Ia dapat dengan mudah mengangkat mesin pertanian seberat 3 ton dan cukup kuat untuk mengangkat dan menurunkan peralatan pembajak atau bongkar muat trailer. Dengan kualitas yang dapat diandalkan dan layanan purna jual yang penuh perhatian, silinder penarik dan pengangkat Raydafon untuk mesin pertanian membantu produksi pertanian di berbagai tempat agar beroperasi secara efisien.

Towing And Lifting Cylinder For Agricultural Machinery

Fitur Produk

Raydafon, sebagai pabrikan Tiongkok yang sangat terlibat dalam bidang hidrolik, telah menciptakan Silinder Penarik Dan Pengangkat Untuk Mesin Pertanian yang hemat biaya dengan keahlian dari ahli pabriknya sendiri. Dengan harga yang terjangkau telah menjadi pemasok terpercaya bagi banyak pabrik peternakan dan mesin pertanian. Silinder ini dirancang untuk kondisi kerja yang kompleks di lahan pertanian, dan tiga keunggulan utamanya membuat pengoperasian pertanian lebih mudah.


Kuat dan tahan lama, dengan ketahanan penuh terhadap penempaan: Silinder Penarik dan Pengangkat Raydafon Untuk Mesin Pertanian ditempa dengan baja paduan tingkat pertambangan, dinding silinder 30% lebih tebal, dan dipalu melalui delapan proses pendinginan, dengan kekerasan yang sebanding dengan rel kereta api. Alat ini dapat mengangkat 3,5 ton mesin pertanian secara stabil, dan membajak serta membawa alat berat tidak menjadi masalah. Permukaannya dilapisi dengan empat lapisan lapisan anti korosi. Setelah dua tahun digunakan terus menerus di lahan salin-alkali dan sawah basah, badan silinder masih bersinar seperti baru tanpa bocor setetes minyak pun.


Stabil seperti gunung, fleksibel untuk dioperasikan: sistem keseimbangan hidraulik dua arah yang asli memungkinkan Silinder Penarik Dan Pengangkat Untuk Mesin Pertanian diangkat dan diturunkan secara akurat di punggung bukit yang bergelombang. Sensor tekanan internal secara otomatis memicu perlindungan saat kelebihan beban dan menghentikan tindakan dalam 0,3 detik.


Disesuaikan sesuai permintaan, purna jual tanpa rasa khawatir: Mendukung penyesuaian penuh posisi pelabuhan minyak dan panjang langkah, dan dapat beradaptasi dengan model lama dan mesin pertanian impor. Pemasangannya hanya memerlukan pengencangan beberapa sekrup, dan operator mesin pertanian biasa dapat melakukannya sesuai petunjuk. Lulus sertifikasi ganda ISO 9001 dan industri mesin pertanian, dan merespons dalam waktu 24 jam jika ada masalah. Produk Raydafon adalah "penolong utama" dalam mengurangi biaya dan meningkatkan efisiensi produksi pertanian.

Towing And Lifting Cylinder For Agricultural Machinery


Aplikasi Produk

Dalam operasi pembajakan, silinder penarik dan pengangkat untuk mesin pertanian merupakan “kekuatan” peralatan pembajak. Bajak mundur yang ditarik oleh traktor perlu sering menyesuaikan kedalaman penetrasi tanah. Silinder oli yang diproduksi oleh Raydafon dapat dengan cepat dan akurat menaikkan dan menurunkan badan bajak, dan juga dapat mengerahkan tenaga secara stabil saat menghadapi balok tanah keras, memastikan kedalaman pembajakan yang seragam dan sangat meningkatkan efisiensi pembajakan. Hal ini juga sangat diperlukan dalam proses menabur. Pada seeder, silinder oli mengontrol naik turunnya seed meter dan tekanan roda tekanan. Saat menabur, silinder minyak memungkinkan roda tekanan memadatkan tanah dengan kekuatan yang sesuai untuk memastikan kontak yang erat antara benih dan tanah dan meningkatkan tingkat kemunculan; saat memindahkan petak, dapat dengan cepat menaikkan meteran benih untuk memudahkan pergerakan mesin.


Pada tahap pemanenan, silinder penarik dan pengangkat untuk mesin pertanian pada mesin pemanen gabungan memainkan peran penting. Setelah kotak biji-bijian penuh, Anda hanya perlu mengoperasikan silinder oli untuk dengan mudah menaikkan kotak biji-bijian dan dengan cepat menurunkan biji-bijian ke dalam kendaraan pengangkut. Seluruh prosesnya lancar dan hemat tenaga kerja. Selain itu, saat memanen tanaman tumbang, silinder minyak juga dapat secara fleksibel mengatur ketinggian header untuk memastikan kelancaran panen. Selain itu, pada peralatan transportasi pertanian, seperti dump truck pertanian, silinder oli mengontrol pengangkatan dan penurunan ember. Ember berisi jerami dan pupuk dapat dimiringkan dan diturunkan secara otomatis dengan mendorong silinder oli, yang beberapa kali lebih efisien dibandingkan penanganan manual. Sebagai pemasok yang mengirimkan langsung dari pabrik, Raydafon menyediakan produk yang terjangkau dan tahan lama kepada petani dan perusahaan mesin pertanian melalui produksi skala besar, membantu setiap langkah produksi pertanian.

Towing And Lifting Cylinder For Agricultural Machinery


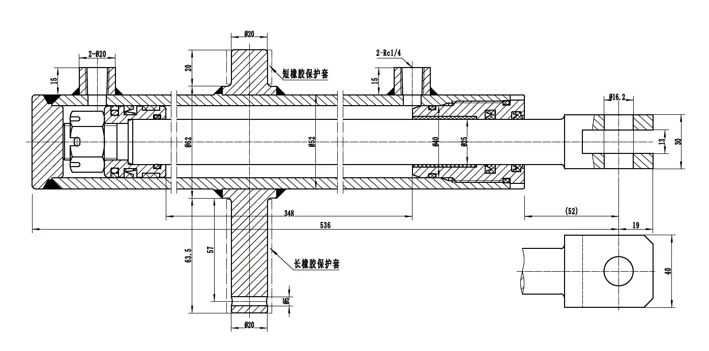
Parameter Produk:

Model silinder Spesifikasi Tekanan kerja Tekanan ketahanan maksimum Perjalanan Jarak pemasangan Berat
HCYY11112017 Φ40×Φ25×348 16.7MPa 24.5MPa 348 536 6kg

Towing And Lifting Cylinder For Agricultural Machinery



Tag Panas: Silinder Penarik Dan Pengangkat Untuk Mesin Pertanian
mengirimkan permintaan
Info kontak
Untuk pertanyaan tentang silinder hidrolik, gearbox, poros PTO atau daftar harga, silakan tinggalkan email Anda kepada kami dan kami akan menghubungi Anda dalam waktu 24 jam.
X
Kami menggunakan cookie untuk menawarkan Anda pengalaman penelusuran yang lebih baik, menganalisis lalu lintas situs, dan mempersonalisasi konten. Dengan menggunakan situs ini, Anda menyetujui penggunaan cookie kami. Kebijakan Privasi
Menolak Menerima